LT942X型活塞式流量調節閥是本公司技術人員在借鑒德國、日本先進經驗,總結國內設計制造及實用經驗的基礎上,根據流體力學特性而開發出來的調速調壓型閥門。LT942X型活塞式流量調節閥已經在電站、引水、供水等領域得到了廣泛的應用。經過改進的本系列流量調節閥不但適用于清水,對于天然江河湖泊水、輕度污水具有良好的耐受能力。從設計結構和材料選用上解決了多年來流量調節閥易結垢,卡阻,驅動裝置偏大的難題。
當前水力控制閥主要用在水廠、電廠、引水工程等介質為水的管網系統,起調節管道介質流量、流態以及調節管網壓力的作用。

| 材料 | 零件名稱 |
|---|---|
| HT200、HT250、QT450-10 | 閥體、端蓋、連桿架、法蘭管、曲柄 |
| 2Cr13、1Cr18Ni9Ti | 閥桿、銷軸、活塞 |
| 1Cr18Ni9Ti | 閥體密封圈 |
| NBR | 活塞密封圈 |
| QT450-10 | 連桿 |
| ZCuA10Fe3、ZCuzN38Mn2Pb2 | 軸承 |
| NBR | 填料 |
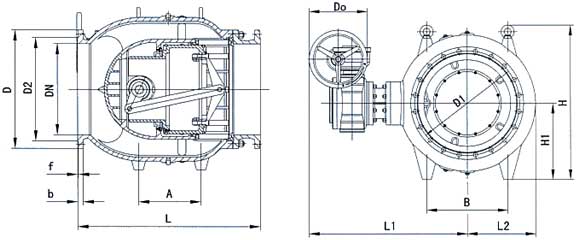
| PN | DN | L | L1 | L2 | H | H1 | D0 | A | B |
|---|---|---|---|---|---|---|---|---|---|
| 400 | 800 | 715 | 308 | 980 | 335 | 250 | 345 | 390 | |
| 450 | 900 | 749 | 347 | 1100 | 400 | 250 | 410 | 440 | |
| 500 | 1000 | 792 | 383 | 1180 | 450 | 300 | 460 | 500 | |
| 600 | 1200 | 847 | 458 | 1250 | 500 | 300 | 510 | 600 | |
| 700 | 1400 | 920 | 528 | 1390 | 600 | 300 | 580 | 700 | |
| 800 | 1600 | 980 | 599 | 1530 | 700 | 360 | 680 | 800 | |
| 900 | 1800 | 1030 | 674 | 1650 | 800 | 360 | 780 | 900 | |
| 1000 | 2000 | 1105 | 744 | 1800 | 900 | 400 | 860 | 1000 | |
| 1200 | 2400 | 1375 | 852 | 2010 | 1000 | 400 | 950 | 1130 | |
| 1400 | 2800 | 1380 | 1031 | 2230 | 1250 | 400 | 1250 | 1380 | |
| 1600 | 3200 | 1490 | 1183 | 2480 | 1450 | 400 | 1500 | 1600 | |
| 1800 | 3600 | 1780 | 1325 | 2720 | 1650 | 400 | 1750 | 1750 | |
| 2000 | 4000 | 1910 | 1476 | 2930 | 1850 | 400 | 2000 | 1950 |
溫馨提示:
本文中所有文字、數據、圖片均只適用于參考。需要查看更多的LT942X型活塞式流量調節閥 性能參數、結構尺寸參數、價格等詳情,或要求印刷樣本,請聯系我們。
主營產品:氣動調節閥 - 電動調節閥 - 自力式調節閥
版版權所有 © 上海大田閥門管道工程有限公司
地址:上海市浦東新區川宏路528號宏圖大樓5樓
